Frí heimsending með Póstinum ef að verslað er fyrir 25.000.- kr. eða meira í netverslun
Heima matvinnslutæki
Reykofnar og fylgihlutir
Hnífar fyrir atvinnumenn
Gjafavara
Kerruhlutir
Ljós og raftæki
Aukahlutir dráttarvélar
Sauðafjárvörur
Nautgripavörur
Leikföng
Fatnaður
Breviglieri
Conor
Mastek
Højgaards
SIP
Forsíða
Þessi hluti inniheldur ekkert efni.
Sauðfé
Nautgripir
Hestar
Annað
Netfang
Fá frekari upplýsingar
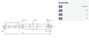
Helstu mælieiningar:
Heildarlengd 285mm
Þvermál tjakksins 18mm
Lengd tjakksins 143mm
Þvermál stangar 8mm
Kraftur 520N
Aðrar mælieiningar er að finna á mynd nr. 2.
Skráðu þig hér og fáðu upplýsingar um nýjar vörur.